[Next] [Previous] [Up] [Top] [Contents] [Back]

3.2 Group Description

3.2.1 Group Input Circuit

Figure 3-2 shows a function diagram of the input circuit for each group on the BI-0433.

Figure 3-2 Group Input Circuit

The input signals are passed via a D25 male connector to the BI-0433. Each D25 connector receives the signals for three channels. Opto-couplers are used for galvanic isolation between the differential signals and the system. Each opto-coupler input circuit meets the requirements of the RS-422-A standard and converts the differential input signal to a standard TTL signal. The 'minus' input can be connected to ground, to let the 'plus' input accept a single ended input signal.

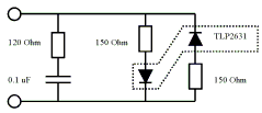
Figure 3-3 Input Signal Termination

All input signals are received using the circuit as depicted in Figure 3-3. The combination of the parallel resistors, diodes and the series capacitor give an input impedance that approximates a nominal termination value of 120 Ohm. Differential input signals are properly terminated by this input circuitry and no additional termination is required.


BI-0433 - 12 Channel Incremental Encoder Interface with Isolated Inputs and Cable Fault Detection - 23 MAY 1997 Copyright © 1997 Brand Innovators B.V. [Next] [Previous] [Up] [Top] [Contents] [Back]